Регулятор давления топлива Turbosmart AN12/AN10 Pro Black

390.00 

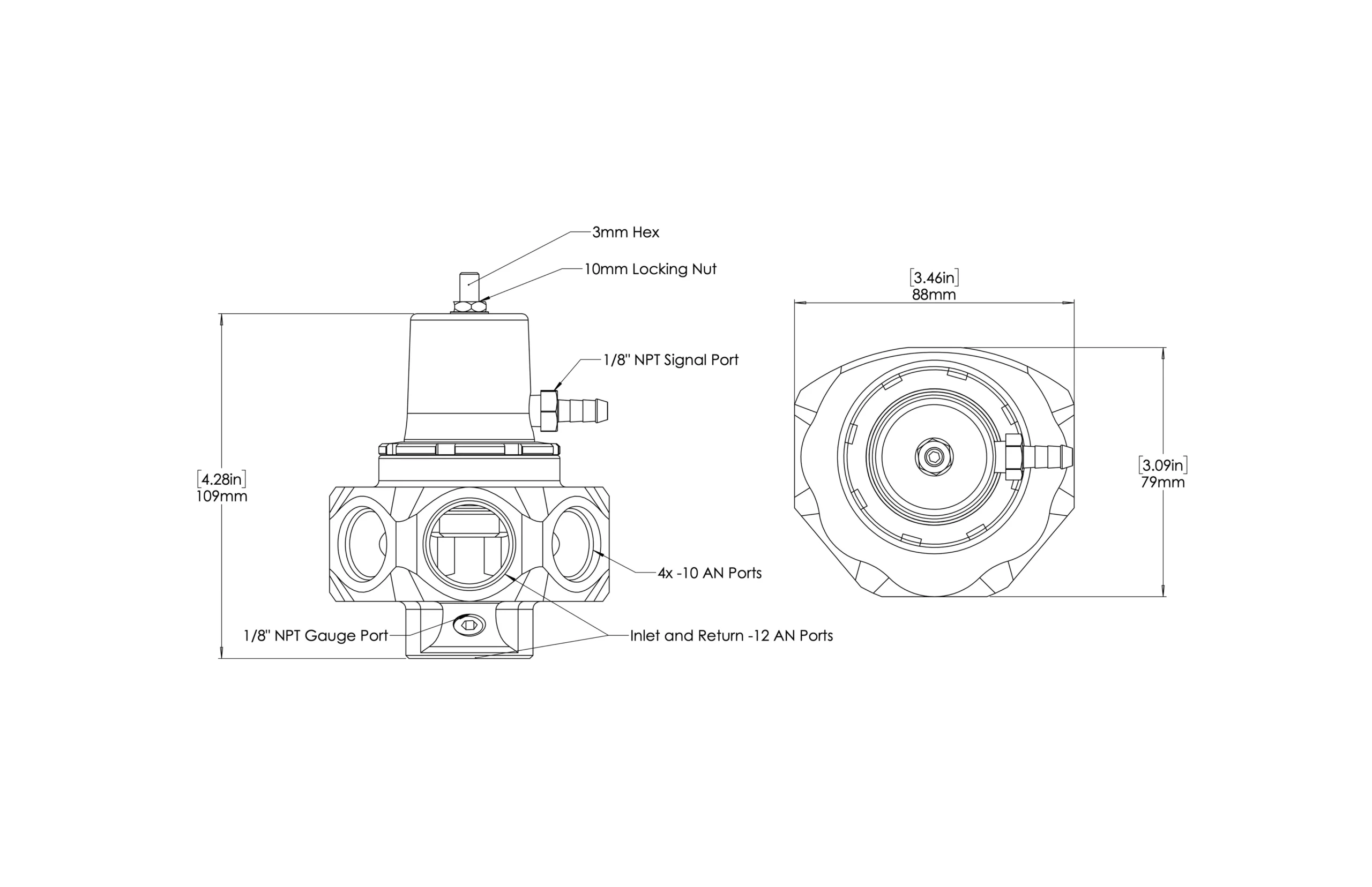
Серия Turbosmart FPR Pro 12 обеспечивает ведущий на рынке контроль топлива и быструю реакцию благодаря истинному соотношению 1:1 и превосходной пропускной способности и перепуску для автомобилей с фитингами подачи топлива -12 / 12AN и возврата -10 / 10AN. Используя седло клапана из нержавеющей стали и мембрану Milspec, серия FPR12 Pro подходит для всех типов топлива, включая гоночное топливо и агрессивные этилированные топлива.

Характеристики
12AN подача и возврат
4 x 10AN распределение топлива
Седло клапана из нержавеющей стали
Подходит для всех типов топлива
Соотношение 1:1 и лучшая в классе реакция
Регулируемое давление
Порт датчика давления 1/8 NPT
Уникальная конструкция с фиксирующим кольцом
Мембрана Milspec
50–100 psi (механический насос)
50–130 psi (электрический насос)

Доступно для предзаказа